Features
◇ Equipped with One-touch fitting,easy to install.
◇ Resin made housing,small volume and light weight.
◇ Available in high vacuum level type and large vacuum flow type.
Applications
◇ Suitable for occasions where vacuum is required for each station in fast operation.
◇ Handling of electronic components.
◇ Various specifications to meet different operation requirements.
◇ Used in separation system for plastic and metal plate processing.
| How to order | ||||||||
| AZH 05 B H -A ① ② ③ ④ ⑤ | ||||||||
| ① Series | ② Nozzle diameter | ③ Body type | ④ Specification | ⑤ Connection thread | ||||
| AZH | 5 - φ0.5mm 07-φ0.7mm 10-φ1.0mm 13-φ1.3mm 15-φ1.5mm 18-φ1.8mm 20-φ2.0mm | B - Box type (internal silencer) D - Body ported type (without silencer) | H - High vacuum level type (-88kPa) L - Large vacuum flow type (-48kPa) | A - One-touch fitting T - Female thread | ||||
| Selecti | ||||||||
| Model/Body type | BH | BL | DH | DL | ||||
| A | T | A | T | A | T | A | T | |
| AZH05 | ● | ● | ● | ● | ● | ● | ● | ● |
| AZH07 | ● | ● | ● | ● | ● | ● | ● | ● |
| AZH10 | ● | ● | ● | ● | ● | ● | ● | ● |
| AZH13 | ● | ● | ● | ● | ● | ● | ● | ● |
| AZH15 | - | - | - | - | ● | ● | ● | ● |
| AZH18 | - | - | - | - | ● | ● | ● | ● |
| AZH20 | - | - | - | - | ● | ● | ● | ● |
◇Note: "●"- standard, in stock. "—"-unavailable.
| Technical parameters | ||||||||||
| Model | Nozzle diameter (mm) | Air supply pressure (bar) | Max. vacuum level (-kPa) | Max. Vacuum flow (NL/min) | Air consumption (NL/min) | Recommended hose dia.(mm) | ||||
| H | L | H | L | Air supply(S) | Vacuum(V) | Exhaust(E) | ||||
| AZH05B | 0.5 | 4.5 | 88 | 48 | 5 | 9 | 13.5 | φ6 | φ6 | - |
| AZH07B | 0.7 | 4.5 | 88 | 48 | 12 | 22 | 23.5 | φ6 | φ6 | - |
| AZH10B | 1.0 | 4.5 | 88 | 48 | 24 | 34 | 46 | φ6 | φ6 | - |
| AZH13B | 1.3 | 4.5 | 88 | 48 | 40 | 75 | 78 | φ8 | φ10 | - |
| AZH05D | 0.5 | 4.5 | 88 | 48 | 7.5 | 9 | 13.5 | φ6 | φ6 | φ6 |
| AZH07D | 0.7 | 4.5 | 88 | 48 | 12 | 22 | 23.5 | φ6 | φ6 | φ6 |
| AZH10D | 1.0 | 4.5 | 88 | 48 | 24 | 34 | 46 | φ6 | φ6 | φ8 |
| AZH13D | 1.3 | 4.5 | 88 | 48 | 40 | 75 | 78 | φ8 | φ10 | φ10 |
| AZH15D | 1.5 | 4.5 | 88 | 53 | 60 | 80 | 97 | φ10 | φ12 | φ12 |
| AZH18D | 1.8 | 4.5 | 88 | 53 | 70 | 110 | 150 | φ12 | φ12 | φ12 |
| AZH20D | 2.0 | 4.5 | 88 | 53 | 85 | 140 | 185 | φ12 | φ16 | φ16 |
| Vacuum flow (NL/min)at different vacuum levels (-kPa) | ||||||||||||
| Model | Air supply pressure (bar) | Air consumption (NL/min) | 0 | 10 | 20 | 30 | 40 | 50 | 60 | 70 | 80 | Max. vacuum level (-kPa) |
| AZH05H | 4.5 | 13.5 | 5.0 | 4.5 | 4.1 | 3.8 | 3.3 | 2.3 | 1.6 | 0.9 | 0.3 | 88 |
| AZH07H | 4.5 | 23.5 | 12.0 | 11.0 | 10.0 | 9.0 | 8.0 | 7.0 | 5.5 | 2.1 | 0.8 | |
| AZH10H | 4.5 | 46.0 | 24.0 | 23.0 | 20.5 | 17.5 | 13.0 | 11.5 | 9.5 | 7.0 | 2.5 | |
| AZH13H | 4.5 | 78.0 | 40.0 | 35.0 | 32.5 | 28.0 | 23.0 | 19.5 | 13.0 | 9.0 | 4.5 | |
| AZH15H | 4.5 | 97.0 | 60.0 | 52.5 | 45.5 | 38.0 | 28.5 | 20.5 | 15.5 | 11.5 | 5.0 | |
| AZH18H | 4.5 | 150.0 | 70.0 | 62.0 | 52.0 | 45.0 | 38.0 | 26.0 | 22.0 | 16.5 | 8.5 | |
| AZH20H | 4.5 | 185.0 | 85.0 | 76.0 | 67.0 | 58.0 | 47.5 | 38.0 | 33.5 | 19.0 | 12.0 | |
| Evacuation time (S/L) to reach different vacuum levels(-kPa) | ||||||||||
| Model | Air supply pressure (bar) | Air consumption (NL/min) | 10 | 20 | 30 | 40 | 50 | 60 | 70 | Max. vacuum level (-kPa) |
| AZH05H | 4.5 | 13.5 | 0.89 | 1.7 | 3.2 | 5 | 7.8 | 12 | 19 | 88 |
| AZH07H | 4.5 | 23.5 | 0.37 | 1 | 1.9 | 3 | 5.4 | 6.7 | 15 | |
| AZH10H | 4.5 | 46 | 0.25 | 0.6 | 1.25 | 2 | 2.9 | 4.6 | 7.3 | |
| AZH13H | 4.5 | 78 | 0.1 | 0.27 | 0.53 | 1 | 1.75 | 4.2 | 7.3 | |
| AZH15H | 4.5 | 97 | 0.04 | 0.21 | 0.35 | 0.63 | 1.23 | 4.1 | 6.5 | |
| AZH18H | 4.5 | 150 | 0.02 | 0.15 | 0.29 | 0.46 | 0.78 | 1.38 | 3.51 | |
| AZH20H | 4.5 | 185 | 0.02 | 0.12 | 0.21 | 0.34 | 0.55 | 0.85 | 1.58 | |

| Vacuum flow (NL/min)at different vacuum levels (-kPa) | |||||||||
| Model | Air supply pressure (bar) | Air consumption (NL/min) | 0 | 10 | 20 | 30 | 40 | 45 | Max. vacuum level (-kPa) |
| AZH05L | 4.5 | 13.5 | 9 | 8 | 7 | 6 | 3 | 1.9 | 48 |
| AZH07L | 4.5 | 23.5 | 22 | 21 | 20.5 | 15.5 | 10.5 | 6.8 | 48 |
| AZH10L | 4.5 | 46 | 34 | 32 | 26 | 19 | 12 | 8 | 48 |
| AZH13L | 4.5 | 78 | 75 | 72 | 65 | 43 | 19 | 9 | 48 |
| AZH15L | 4.5 | 97 | 80 | 72 | 60 | 45 | 36.5 | 16 | 53 |
| AZH18L | 4.5 | 150 | 110 | 105 | 95 | 80 | 55 | 30 | 53 |
| AZH20L | 4.5 | 185 | 140 | 130 | 120 | 100 | 80 | 62 | 53 |
| Evacuation time (S/L) to reach different vacuum levels(-kPa) | ||||||||
| Model | Air supply pressure (bar) | Air consumption (NL/min) | 10 | 20 | 30 | 40 | 45 | Max. vacuum level (-kPa) |
| AZH05L | 4.5 | 13.5 | 0.49 | 1.5 | 2.9 | 5.1 | 7.2 | 48 |
| AZH07L | 4.5 | 23.5 | 0.28 | 0.75 | 1.5 | 2.5 | 3.5 | 48 |
| AZH10L | 4.5 | 46 | 0.14 | 0.4 | 0.81 | 1.4 | 1.8 | 48 |
| AZH13L | 4.5 | 78 | 0.04 | 0.12 | 0.24 | 0.62 | 2.4 | 48 |
| AZH15L | 4.5 | 97 | 0.03 | 0.15 | 0.23 | 0.4 | 0.92 | 53 |
| AZH18L | 4.5 | 150 | 0.02 | 0.1 | 0.18 | 0.32 | 0.67 | 53 |
| AZH20L | 4.5 | 185 | 0.01 | 0.08 | 0.14 | 0.2 | 0.3 | 53 |


| Model/Size | A | B | C | D | E | F | G | H | Q | L | K | J |
| AZH05B-A | 60.0 | 16 | 31 | 5.8 | 2 | 3.2 | 47 | 22 | 24 | 6 | 5 | 6 |
| AZH07B-A | 60.0 | 16 | 31 | 5.8 | 2 | 3.2 | 47 | 22 | 24 | 6 | 5 | 6 |
| AZH10B-A | 63 | 18 | 32 | 5.8 | 2 | 3.2 | 50 | 23 | 26 | 6 | 5 | 6 |
| AZH13B-A | 78 | 23 | 38.5 | 7.5 | 3 | 4.2 | 61 | 27.5 | 28 | 10 | 7 | 8 |

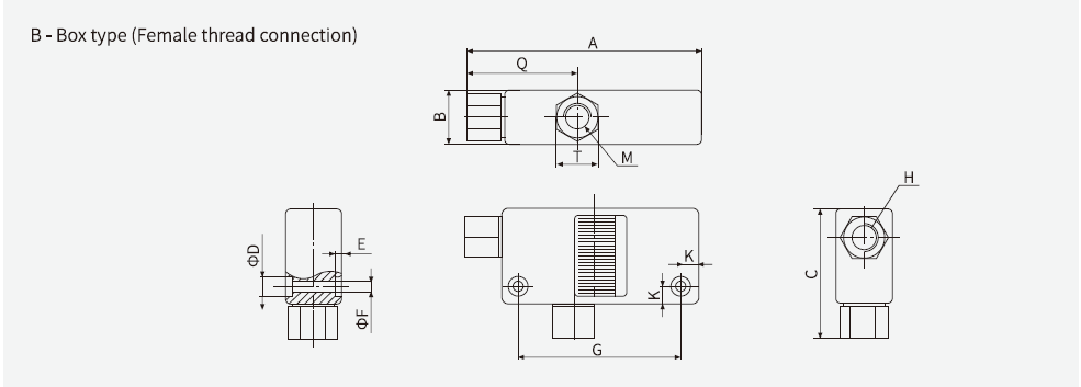
| Model/Size | A | B | C | D | E | F | G | H | Q | M | K | J |
| AZH05B-T | 68.0 | 16 | 39 | 5.8 | 2 | 3.2 | 47 | Rc1/8 | 31.5 | Rc1/8 | 5 | 12 |
| AZH07B-T | 68.0 | 16 | 39 | 5.8 | 2 | 3.2 | 47 | Rc1/8 | 31.5 | Rc1/8 | 5 | 12 |
| AZH10B-T | 71 | 18 | 40 | 5.8 | 2 | 3.2 | 50 | Rc1/8 | 33.5 | Rc1/8 | 5 | 12 |
| AZH13B-T | 86.5 | 23 | 50 | 7.5 | 3 | 4.2 | 61 | Rc1/8 | 36.5 | Rc1/4 | 7 | 4 |

| Model/Size | A | B | C | D | E | F | G | H | L | K | J |
| AZH05D-A | 58.5 | 34 | 14.2 | 17 | 6 | 21 | 3.2 | 24 | 6 | 22 | 6 |
| AZH07D-A | 61.0 | 34 | 14.2 | 17 | 6 | 22 | 3.2 | 24 | 6 | 22 | 6 |
| AZH10DH-A | 66 | 37 | 17.2 | 20 | 6 | 24.5 | 4.2 | 26 | 8 | 23 | 6 |
| AZH10DL-A | 70 | 37 | 17.2 | 20 | 6 | 24.5 | 4.2 | 26 | 8 | 23 | 6 |
| AZH13DH-A | 74 | 42.5 | 20 | 22 | 8 | 27 | 4.2 | 28 | 10 | 27.5 | 10 |
| AZH13DL-A | 79.5 | 42.5 | 20 | 22 | 8 | 27 | 4.2 | 28 | 10 | 27.5 | 10 |
| AZH15D-A | 93.3 | 47 | 22.5 | 27 | 10 | 32.8 | 4.2 | 31.5 | 12 | 29.5 | 12 |
| AZH18D-A | 114 | 41 | 21 | 10 | 12 | 50 | 3.5 | 35.5 | 12 | 30.5 | 12 |
| AZH20D-A | 124.6 | 46 | 27 | 12 | 12 | 54.3 | 3.5 | 38.5 | 16 | 32.7 | 16 |

| Model/Size | A | B | C | D | E | F | G | H | L | K | J |
| AZH05D-T | 73.5 | 41.5 | 14.2 | 17 | Rc1/8 | 28.5 | 3.2 | 31.5 | Rc1/8 | 29.5 | Rc1/8 |
| AZH07D-T | 76.0 | 41.5 | 14.2 | 17 | Rc1/8 | 29.5 | 3.2 | 31.5 | Rc1/8 | 29.5 | Rc1/8 |
| AZH10DH-T | 82 | 44.5 | 17.2 | 20 | Rc1/8 | 33 | 4.2 | 33.5 | Rc1/8 | 30.5 | Rc1/8 |
| AZH10DL-T | 86 | 44.5 | 17.2 | 20 | Rc1/8 | 33 | 4.2 | 33.5 | Rc1/8 | 30.5 | Rc1/8 |
| AZH13DH-T | 94.5 | 54 | 20 | 22 | Rc1/8 | 38.5 | 4.2 | 36.5 | Rc1/4 | 39 | Rc1/4 |
| AZH13DL-T | 99.5 | 54 | 20 | 22 | Rc1/8 | 38.5 | 4.2 | 36.5 | Rc1/4 | 39 | Rc1/4 |
| AZH15D-T | 116.5 | 58.5 | 22.5 | 27 | Rc1/4 | 44.5 | 4.2 | 43 | Rc3/8 | 41 | Rc3/8 |
| AZH18D-T | 133 | 52.5 | 21 | 10 | Rc3/8 | 57.5 | 3.5 | 47 | Rc3/8 | 42 | Rc3/8 |
| AZH20D-T | 151 | 61 | 27 | 12 | Rc3/8 | 69.3 | 3.5 | 50 | Rc1/2 | 47.7 | Rc1/2 |